Mounting Holes

MOUNTING HOLES

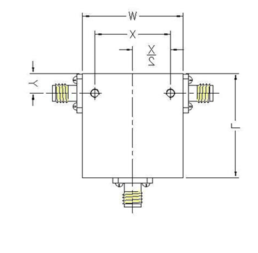
MOUNTING HOLES FOR STANDARD ISOLATORS & CIRCULATORS

ALL THREAD DEPTHS ARE 4 MM. MINIMUM [EXCEPT W = 52 MM., L = 25 MM.]
* Mounting holes are not in line with connectors
┴ Standard units are not supplied with mounting holes
NOTE : Different mounting options are available such as - Through holes
- Tapped holes on side faces
- Tapped holes on top bottom face