Drop in Isolator & Circulator

Drop-in Isolator & Circulator

MTC offer a wide range of narrow and wide bandwidth RF and microwave isolators and circulators product in Coaxial and Drop-in configurations that extend
from 200 MHz to 40 GHz frequency range. Customer can select from the Products listed below or to send us your requirements.so we can meet your needs better.
- Standard Isolator 1 Watt , Forward power 25 to 700 Watts and Reverse power 5 to 100 watts available
- Neodymium ( NdFe B ) free
- In - house customer design engineering
- Custom Surface Mount , Flange Mount packaging available
- Contact factory for custom requirement

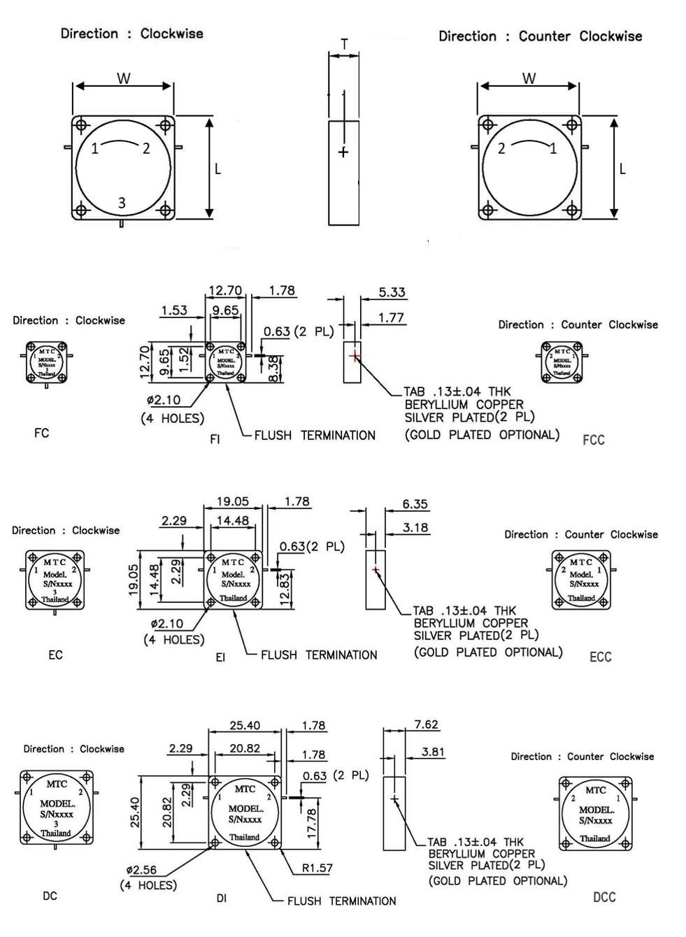
Outline drawing drop-in

Other load values are as specified in the catalog below.
For load values that are not defined in the catalog, we will designate them using “I” followed by the load value.
Examples:
5 W → I5
3 W → I3