Cellular

CELLULAR RADIO 3 & 4 PORT ISOLATORS

Microwave Technology Corporation has developed a range of devices designed for CELLULAR BASE STATION Cellular Mobile Communication PNC / PCS, VSAT and paging at 400 MHz, 800 MHz, 900 MHz and at 1800 MHz.
For variations of frequency range or other specifications please contact our office.

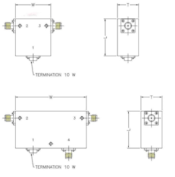
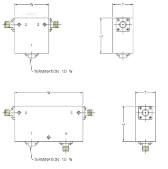
ISOLATOR OUTLINE DRAWING


3 PORT

4 PORT

NOTE : 4-Port H-Configuration also available

* N (F) Connectors are standard for cellular applications. * SMA (F) Connectors are standard for PCN applications. * Different types of connectors can be interchanged including PINS, TABS and Sockets. * Extra ports as test port or sniffer port to monitor input power or reflected power can be included. * Integral loads up to 100 Watts are available.